
天津实悦机电设备有限公司
手机:15022692433
邮箱:1500844097@qq.com
地址:天津市西青区碧祥路16号新兴园5号楼
1 工程概况及通风空调系统形式
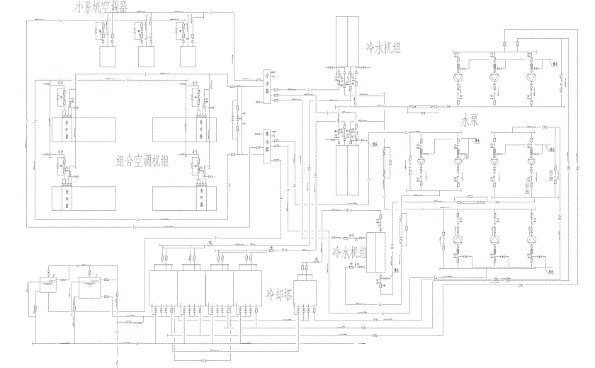
该地铁线路走向主要是东西穿越城市中心,每个地下车站都设置一个制冷机房。通风空调系统分为:区间隧道防灾排烟系统(隧道通风系统)、车站站台站厅通风空调系统(大系统)、车站设备管理用房区通风空调系统(小系统)、车站空调冷源及输送分配系统(水系统)。
大部分车站冷源为两台离心制冷机加一台活塞式制冷机的形式,车站冷水机组总容量在 1000 冷吨左右(车站规模大小不同),冷冻水系统采用一次泵末端变流量,冷水机组侧定流量系统。冷却水系统采用定流量系统,冷却塔采用两大一小的配置,小型的冷却塔与活塞制冷机搭配,负责夜间小系统制冷。大型的冷却塔为两台并联与离心式制冷机搭配,负责大系统与昼间小系统制冷。空调水系统示意见下图。

2 多个车站冷却塔溢水故障情况
该地铁线路开通运行以来,由于为初期运营,客流量尚未形成规模,昼间开启一台离心制冷机组及相应的冷冻水泵、冷却水泵、冷却塔。当运行于此种运行模式时,开机的冷却塔发生溢水现象,而没有开机的冷却塔补水盘内的水位下降,补水浮球持续补水,其示意图见下图,当两台塔轮换运行时,溢水现象依旧发生。但当两台冷却塔同时开启时(两台离心制冷机组及水泵同时开启),无溢水现象发生。

3 溢水原因分析
3.1 初步分析
根据现场的情况,初步分析为两台塔之间的连通管的过水能力不够,连通管为 D219 的无缝钢管,根据冷却塔存水盘的深度尺寸,依靠重力自流的水位差约为 200 毫米,根据水管的局部阻力情况,最大的通过能力约为 80 立方米每小时。整改单位初步进行了将连通管加大至 D325 管径的改造,最大的通过能力增加至约为 180 立方米每小时,经实际运行后发现溢水现象依旧存在,说明过水能力仍然不能满足要求。
现场进行手动阀门控制,将手动阀门 BV04 关闭,单机运行冷却塔 CT-01 ,溢水现象消失,达到正常运行。用下面示意简图可清楚的反映症结所在:当单台冷却塔运行时, Q2 的流量约为零(实际电动阀门关闭不严,有泄露),水盘出水端安装有两个手动蝶阀(长开状态),假设循环流量 Q1 为 300m 3 /h ,回水 Q3 、 Q4 为 150 m 3 /h (实际水量不为平均分配),当 Q5 的通过能力为 80 m 3 /h 时,运行冷却塔的水盘 1 出现溢水现象,而停机冷却塔水盘 2 出现持续补水状态。当手动关闭 BV04 阀门后,相当于加大了 Q3 的流量,两个水盘恢复正常状态。

3.2 进一步分析
在现场的调试过程中还进行了以下试验:当将冷却水泵的出水阀门关小至约 40% 的开度时(手动蝶阀的流量调节功能弱),只需将 BV04 阀门关小至约 60% 开度就可以保证两个水盘恢复正常状态。
单台常规 5 ℃温差的 400 冷吨离心制冷机组额定冷却水流量约为 292m 3 /h , Q5 的通过能力增大至 180m 3 /h 时,溢水故障依然存在。此过程说明当单台水泵运行时,流量大大超过了冷水机组需求的额定流量。
4 解决措施和建议
找到了故障的根源后就不难找到解决办法,采取的方式主要有如下三条:
1. 通过增大连通口数目及减小局部阻力系数,继续增大连通水管的通过能力。
2. 将出水的两个手动阀门改为受电信号控制的电动阀门。
3. 对冷却水泵进行变频控制,确定单台运行与并联运行各自的频率控制数值,进行分工况控制。
根据目前的实际情况及改造费用,整改单位主要选择了第一种方式进行改造。通过此问题的解决,设备制造商、设计单位都应有所总结和提高。对于冷却塔的设备制造商在水盘的深度设计时,应考虑此部分的因素,在成组布置的冷却塔之间应考虑连通的设计。对于设计单位应进行详细的水力计算,重视并仔细落实水泵并联运行与单台运行的工况,合理设置阀门。
5 结束语
地铁系统中通风空调能耗是运营成本的“大户”,如何实现经济运行必须从设计、施工开始。熟悉各个系统的功能、用途,了解设备的工作和控制原理,对合理设计和正确运行空调系统是十分必要的。